CAD DESIGN

Electrical and Mechanical Design Capability.

Mechanical Designs

SOLID WORKS DESIGNS FOR:
   • Aluminum Assemblies
   • Motion Projects
   • SubAssembly Drawings

Electronic Designs

AUTOCAD DESIGNS INCLUDE:
     • Control Cabinet Layouts
     • Panel Schematic Drawings
     • BOM Parts Selection

Project Management

Our CAD engineering department generates a full documentation and BOM package used in the management of the project

Electronic Design

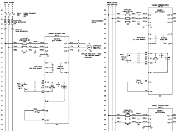
PANEL SCHEMATICS

PANEL LAYOUT

Drawing packages from conceptual sketches or allow our engineering team to assist with a complete control system using the latest CAD software from AutoCAD®. We pride ourselves with being able to bring expertise, focus, and depth to all of your control concepts and needs. Large or small systems are welcomed and each documentation package generated contain details to assist engineers, electricians, technicians, and plant personnel using NFPA along with industrial standards for UL508A and UL698A where applicable.

• Power Wiring Diagrams
• VFD Wiring Diagrams
• E-Stop & Safety Control Diagrams
• PLC Wiring Diagrams
• Communication Diagrams
• Field Device Diagrams
• And Much More
• Your Standards or Ours 

From detailed panel assembly diagrams, Machine or Conveyor layouts we will add electrical details if required to assist engineers, electricians, technicians, and plant personnel with installation or the assembly process.

• Enclosure Door Details using Manufacturer parts
• Sub-Panel Details using Manufacturer parts
• Extensive Part Libraries used to accurately represent customer needs
• Field Device Diagrams (Conveyors, Machines, Plan Views)
• Network Diagrams
• Simple Riser Diagrams 

Mechanical Design




2D Detail / Production Drawings

• Exploded drawing
• BOM
• Assembly Instructions

3D Renderings

• Conceptual Designs
• Workflow Analysis
• Design Confirmation


CAD Modeling

• 3D Motion Design
• Motion Control Functional Analysis
• Production Line Integration and Testing

© Copyright 2021 Kim Control Systems - All Rights Reserved - 1-888-296-1295

ACCESS SUPPORT DOCUMENATION AND STAY IN CONTACT